Inconel 625 tilbakeslagsventil
NSV Inconel 625 tilbakeslagsventil er hovedsakelig kjemiske prosesser og med overlegen korrosjonsbestandighet under oksiderende og høy temperatur; og overlegen erosjonsmotstand.
P standard standard
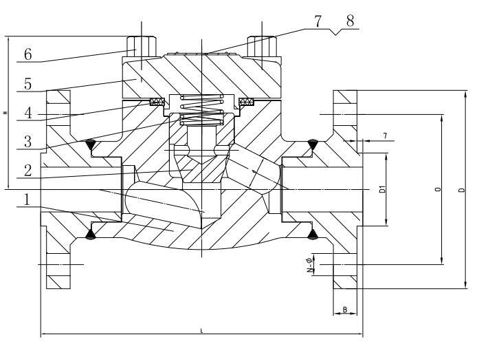
Designstandard: API 602, ASME B16.34, BS 5352, DIN3352
Ansikt til ansikt: ASME B16.10, EN 558, DIN3202
Endeflens: ASME B16.5, DIN2533
Butt sveising Ender: ASME B16.25, DIN3239
Sokkelsveisede ender: ASME B16.11
Gjengede ender: ASME B1.20.1
Inspeksjon og test: API 598, DIN3230Produktspekter
Størrelse: 1/2 "~ 2" (DN15 ~ DN50)
Karakter: ANSI 150lb ~ 1500lb
Kroppsmaterialer: Inconel 625 (B564 N06625)
Trim: Inconel 625 (B564 N06625).Designfunksjoner
Full port eller redusert portdesign
Koble til plate
Boltedeksel (BB), Sveiset panseret (WB), Trykkforseglingshette (PSB) også tilgjengelig.
Flensede, baksveisede, sokkelsveisede eller gjengede ender


TILKOBLING AV KROPPEN: DEKKET 
NSV Standard konstruksjon av guttedekksforbindelse er boltet med s apiral sårpakning for å tette forbindelsen.
På forespørsel tilbyr vi også Ringleddetilkobling, Ringleddet som er for høyt trykk på 2500lb boltbolter, også på forespørsel på annen trykklasse.
FAQ
1.Q: Hva er merkevaren din kan levere?
A: NSV eller OEM-tjeneste
2.Q: Jeg vil vite hvordan du kontakter den ansvarlige .
A: Når du ringer representantens telefonnummer til selskapet (86-577-67378616), vil salgsteamet motta samtalen hvis det ikke er noen spesiell situasjon. Hvis du gir oss beskjed om forespørselen din, vil vi sende deg gjennom til den ansvarlige. Hvis du trenger et personlig telefonnummer, må du motta det fra den ansvarlige direkte etter telefonsamtale.
3. Spørsmål: Hva er ventilens garanti?
A: Våre garantiperiode for ventiler skal være 18 måneder fra leveringsdato eller 12 måneder etter installasjon, avhengig av hva som skjer først.
4. Spørsmål: Hvordan kan jeg få et tilbud?
A: Hvis du ber om tilbud ved å forberede produktspesifikasjonen du vil be om spesifikt gjennom "Kontakt oss eller tilbakemelding" på hjemmesiden, vil vi sende svar til deg ASAP. Hvis innholdet på hjemmesiden ikke er tilgjengelig, kan du spørre oss via telefon (86-577-67378616) eller faks (86-577-67372367).
5.Q: Er det MOQ?
Et : Nei. Vi kan godta 1 sett, men det koster $ 150,00 (eksportprosess) hvis ordren er på $ 2000,00.
Populære tags: inconel 625 tilbakeslagsventil, Kina, produsenter, leverandører, fabrikk, produsert i Kina
Et par
A494 CW6MC portventilDu kommer kanskje også til å like
Sende bookingforespørsel















